

Gearshift Repair Kit
LOTUS PARTS BULLETIN
LPB011/06
by Lotus Cars Ltd
Gentlemen
Lotus Aftersales are pleased to announce the introduction of a number of repair kits for elements of the gearchange mechanisms of several Esprit models from 1988 onwards
These have been developed by our current engineering department and are detailed below:
Part Number A082F4208J – Gear Lever Master Unit overhaul – pre 1998 MY, comprising:
Cross shaft bush x 2, Crinkle washer x 2, Spherical bearing bush x 2, Lever bush x 2, Rod end bush x 2, Rod end bush washer x 2, Reverse block x 1, Fitting instructions.
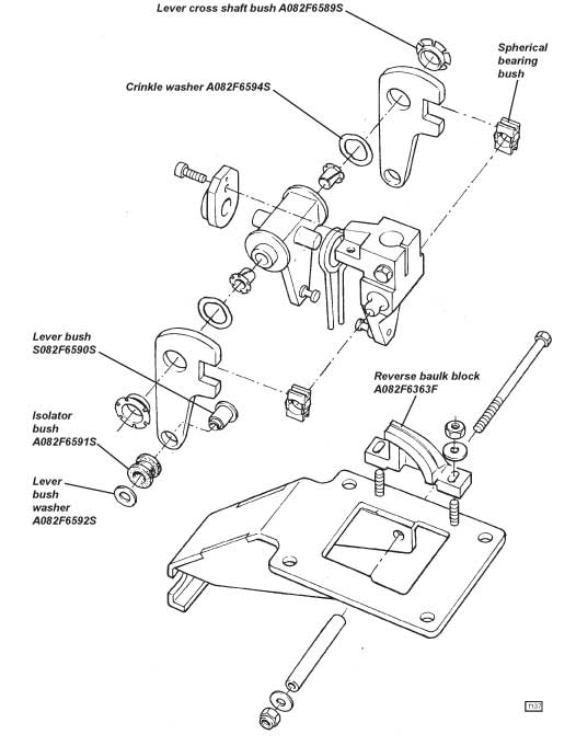
List price £150.00GEAR LEVER MASTER UNIT REPAIR KIT
Lever cross shaft bush A082F6589S 2 off Crinkle washer A082F6594S 2 off Spherical bearing bush A082F6588S 2 off Lever bush A082F6590S 2 off Isolator bush A082F6591S 2 off Lever bush washer A082F6592S 2 off Reverse block A082F6363F 1 off Instructions LSL503 1 off After removing the master unit from the car, refer to the illustration overleaf for component identification. Note that the isolator bush in each of the bellcrank levers is retained by a washer and peening of the brass bush end. On re-assembly with new parts, the bush retaining washer may be peened into place using a suitably sized ball bearing or similar.
Before adjusting the reverse inhibitor block, first ensure that the gearchange cables are correctly adjusted by referring to Service Notes manual sub-section FG.3. The block should then be positioned to provide a marginal clearance between it and the gear lever pad when the lever is moved in the 1st/2nd plane.
Part Number A082F4209J – Translator repair kit – 4 cyl cars to 1998 MY, comprising:
Tie rod assembly x 1, Rod ends x 2, Rod end boot x 4, Translator bearings x 2, Fitting instructions.
List Price £95.00Part Number A082F4210J - Translator repair kit – V8 to 1998 MY, VIN W2272, comprising:
Tie rod x 1, Rod end M8 x 1, Rod end M6/M8 x 1, Rod end M6 x 2, Rod end boot M8 x 2, Rod end boot M6 x 2, Translator bearings x 2, Fitting instructions.
List price £120.001. With the transmission in neutral, disconnect the ball joint on the rear end of both cables from the translator in order to allow the gearbox cross shaft to assume its spring loaded 3rd/4th crossgate position.
2. Adjust the translator tie rod:
4-cylinder models: The tie rod fixing hole in the translator upper arm should be offset 4mm to the right of a fore/aft datum line passing through the centre of the translator clamp.
V8 models: The translator upper arm should be at 90° to the cross shaft axis, with any tolerance to the right of this ideal setting.Tighten the tie rod ball joint locknuts with the joints in alignment with each other.
3. The gearchange lever is independently spring loaded to the 3rd/4th gear plane, and when viewed from behind, will lean slightly to the right on 4-cylinder cars, and stand vertically on V8 (and late GT3). Viewing the lever from the side, have an assistant hold the lever in a fore/aft vertical position, without disturbing the crossgate position.
4. Adjust the length of the two cables at their rear end ball joints so that they can be connected to the translator without preload. Note that both gearchange cables are identical and that the right hand cable at the gearlever end is fitted to the left hand side at the gearbox end. As a check, move the gear lever across the gate from right to left and observe cable movement at the rear end. The cable that moves forward is fitted to the left hand side at the gearbox. Note that V8 type cables are 10mm longer that those for 4-cylinder cars.
Part Number A082F4211J – Translator repair kit – V8/GT3 from 1998 MY, VIN W2272, comprising:
Rod end x 4, Thread ball x 2, Fitting instructions.
List price £75.00
Early Esprit V8 used various designs of translator tie rods, some utilising a ball joint at the translator end with an M6 female thread. These cars may be updated to use the later type tie rod B082F4169F together with M6/M8 rod end A082F6561F.To replace the tie rod:
1. Remove the exhaust silencer for access: Release the two catalytic converter joint clamps, and unhook the silencer mountings.2. Release the ball joint from the translator, and unscrew the tie rod from the transmission end ball joint. Release both gearchange cable ball joints from the translator.
3. Fit the existing and new M8 locknuts to each end of the new tie rod, and screw one end of the symmetrical rod into the transmission end ball joint. Screw the M6/M8 ball joint onto the other end of the rod, and fit into the translator arm.
4. With the transmission in neutral, the gearbox cross shaft is spring loaded to the 3rd/4th gear plane. The effective length of the translator tie rod should now be adjusted in order to position the top arm of the translator at 90° to the cross shaft, with any tolerance to the right of this ideal setting (Note: 4- cylinder cars have 4 mm offset to the right). A similar amount of thread should be visible at each end of the tie rod, and the ball joint locknuts tightened with the joints orientated at 90° to each other.
5. The gearlever is also independently spring loaded to the 3rd/4th crossgate plane, and in neutral, should stand vertically when viewed from behind (leans to the right on 4-cylinder cars). Hold the lever vertical in the fore/aft plane, and check that the cable ball joints are aligned with the holes in the translator arms. If necessary, adjust gear cable length until this can be achieved, and secure the ball joints to the translator.
6. Select reverse gear, and check that the tie rod ball joint does not foul the translator clamp. If necessary, disconnect the tie rod, protect the translator bearings and cable ball joints from swarf, and file the corner of the clamp to provide sufficient clearance.
![]()
All parts available from your local Lotus Dealer or Independent.
Assuring you of our best attention at all times
GARRY SLATTERY
Lotus Cars Aftersales Department
There are other options for these parts at the E-shop.
|
|